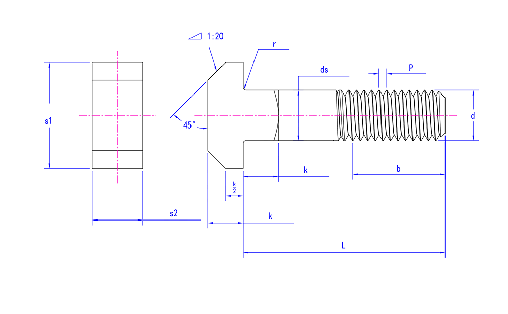
Din186 hindi kinakalawang na asero T-head bolts na may parisukat na leeg bolts
| Mga tampok ng ulo | T-type head anti-rotation square leeg |
| Mga Tampok ng Rod | Dobleng anti-rotation |
| Pangunahing layunin | Pinipigilan ang pag -ikot, pinatataas ang katatagan |
| Mga kalamangan at tampok | Pinipigilan ng disenyo ng leeg ng square ang pag-ikot ng bolt, na angkop para sa mga pag-aayos ng mabibigat na tungkulin |
| Karaniwang gamit | Maiwasan ang pag-ikot, mga koneksyon sa high-load, tulad ng malaking kagamitan, mabibigat na makinarya. |
| Mga pangunahing tagapagpahiwatig para sa pagpili | T-head na hugis, laki ng leeg ng parisukat, haba ng bolt, diameter, haba ng thread, materyal. |
| Mga kinakailangan sa tiyak na industriya | Malakas na makinarya: Angkop para sa kagamitan na may mataas na naglo -load at ang pangangailangan upang maiwasan ang pag -ikot ng bolt. Industriya ng Automotiko: Ginamit para sa mga koneksyon na may mataas na lakas na pumipigil sa pag-ikot ng bolt. |

















